|
|
 |
| 我们的轴承出口至亚洲,中东,南非,拉丁美洲及其它洲,如:菲律宾,马来西亚,巴西,阿根廷,加拿大,希腊,肯尼亚,韩国,沙特阿拉伯,印度,巴基斯坦等国家。 |
|
|
|
|
|
|
|
|
|
|
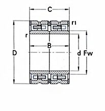
| 轧机轴承314274B四列圆柱滚子轴承 |
|

四列圆柱滚子轴承 314274B 轧机轴承
轴承组件:2个内圈,2个外圈,4列滚动体,1个中挡圈,2个边挡圈,4个保持架
|
系列
|
四列圆柱滚子轴承,轧机轴承
|
|
轴承型号
|
314274B 轧机轴承
|
|
基本尺寸/mm
|
320X480X350 mm
|
|
轴承列数
|
四列圆柱滚子轴承
|
|
精度等级
|
P0,P6,P5,P2
|
|
轴承应用
|
轧机、支承辊、工作辊、中间辊、水泥破碎
|
|
|
|
|
|
|
|