|
|
 |
Our bearings export to Asia,Mid-East,
South Africa,Latin America and other
countries.For example:Phillipines,
Malaysia,Brazil,Argentina,Canada,
Greece,Kenya,Korea,Saudi Arabia,
India,Pakistan and so on. |
|
|
|
|
|
|
|
|
|
|
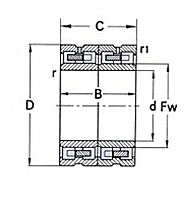
| BC2B320075A/VJ202 Four row cylindrical roller bearing |
|

Rolling mill bearings BC2B320075A/VJ202
BC2B320075A/VJ202 Four row Cylindrical roller bearings
(Double outer rings, double inner rings, and inner ring without flange)
|
Series
|
Multi-row cylindrical roller bearings
|
|
Bearings Description
|
BC2B320075A/VJ202 Rolling mill bearing
|
|
Dimension/mm
|
360X500X250 mm
|
|
Rows
|
Four rows/Multi row cylindrical roller bearings
|
|
Precision
|
P0,P6,P5,P2
|
|
Application
|
Rolling mill,back-up rolls,Work rolls,Intermediate roll,Cement Crushing
|
|
|
|
|
|
|
|