|
|
 |
Our bearings export to Asia,Mid-East,
South Africa,Latin America and other
countries.For example:Phillipines,
Malaysia,Brazil,Argentina,Canada,
Greece,Kenya,Korea,Saudi Arabia,
India,Pakistan and so on. |
|
|
|
|
|
|
|
| GEC320XS,GE320DO spherical plain bearings |
|
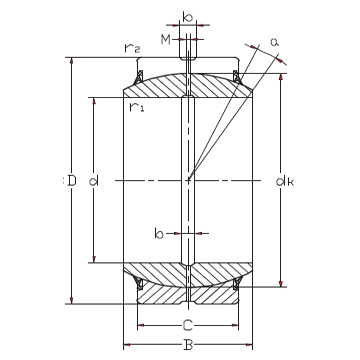
WKKZ Radial spherical plain bearings
GEC320XS,GEC320XS-2RS
Radial spherical plain bearings requiring maintenance with sliding surface steel /steel.
Interchanged bearings number: GE320DO GE320DO-2RS
d: 320mm
D:440mm
B:160mm
C:135mm
Weight : 77 kgs
WKKZ GEC 320 XS Spherical plain bearings 320X440X160 mm

|
|
|
|
|