|
|
 |
Our bearings export to Asia,Mid-East,
South Africa,Latin America and other
countries.For example:Phillipines,
Malaysia,Brazil,Argentina,Canada,
Greece,Kenya,Korea,Saudi Arabia,
India,Pakistan and so on. |
|
|
|
|
|
|
|
| GEH260TE-2RS Spherical plain bearing |
|
WKKZ Radial spherical plain bearings GEH260TE-2RS
Free maintenance -Sliding surface STEEL / PTFE Composite material
Bearings number : GEH 260 TE Spherical plain bearing
GEH 260 TE-2RS Spherical plain bearing
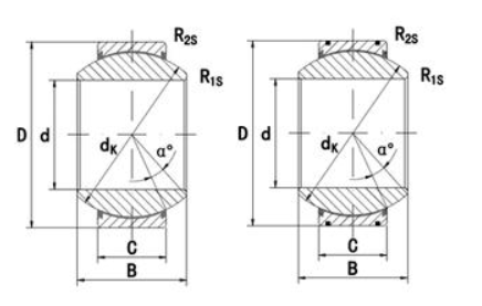
Dimension:
d: 260 mm
D: 400 mm
B: 205 mm
C: 120 mm
Weight : 81 kgs
Tilting angle: 15 degree
GEH260 TE Radial plain bearings,GEH260TE-2RS Radial plain bearings

|
|
|
|
|